Januar, Februar 2013

Die Bautätigkeit an meinem KITFOX ruht zurzeit da ich mich wie die Zugvögel in den Süden abgesetzt habe. Untätig bin ich aber nicht, ich nutze die Zeit um die Handbücher für den Flieger zu schreiben. Das AFM Airplane Flight Manual ist fast fertig es umfasst stolze 50 Seiten.
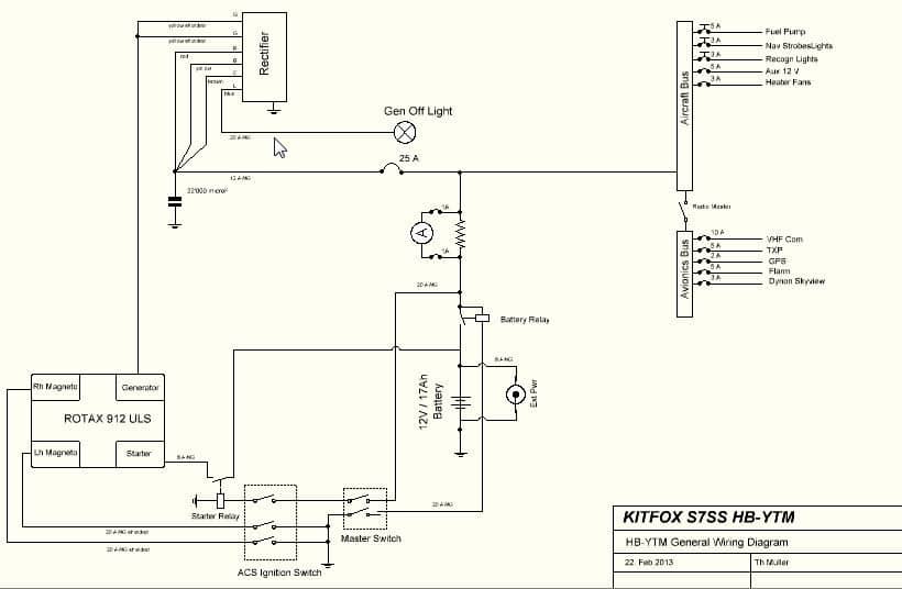
Es fehlt nun noch das MM Maintenance Manual. Für die Schlussabnahme des Fliegers ist eine umfangreiche Dokumentation notwendig. Dieser Aufwand wird oft unterschätzt. So ist das Flugzeug wohl fertig gebaut, das Permit to Fly wird vom BAZL (Bundesamt für Zivilluftfahrt) aber erst ausgestellt wenn auch die Dokumentation kommplett ist.


